碳钢闸阀  铸铁闸阀  锻钢闸阀  黄铜闸阀  不锈钢闸阀  电动闸阀  气动闸阀
 
  当前位置:首页 >> 阀门展示 >> 止回阀 >> 微阻缓闭止回阀 >> HH44X微阻缓闭止回阀
 闸阀
 蝶阀
 球阀
 视镜
 排气阀
 针型阀
 排污阀
 截止阀
 止回阀
 安全阀
 减压阀
 旋塞阀
 电磁阀
 调节阀
 平衡阀
 切断阀
 过滤器
 隔膜阀
 角座阀
 放料阀
 呼吸阀
 阻火器
 疏水阀
 柱塞阀
 排泥阀
 水力控制阀
 防盗阀门
 石化阀门
 陶瓷阀门
 锻钢阀门
 船用阀门
 特殊阀门
 低温阀门
 液压阀门
 

产品名称: 微阻缓闭止回阀
产品型号: HH44X
产品口径: DN40-900mm
产品压力: 1-2.5Mpa
产品材质: 铸铁、铸钢、不锈钢
联系电话: 021-51061127
联系传真:
Email: fashengfamen@126.com
联系人: 陈云非
联系手机: 18217570461
QQ: 203398752
公司名: 上海阀盛阀门制造有限公司
帐号:  03416900040048386
开户行:  农行上海水清南路支行
售后承诺: 质保一年,质量三包:包修、包换、包退。
  详细介绍:

一、微阻缓闭止回阀概述:
微阻缓闭止回阀用于给排水管道,安装在是水泵出口处用来防止介质逆流和消除破环性水锤,并能有效地减少阀门关闭水锤压力,可保障官网安全运行,它具有阀瓣轻、开度大、节电效果显著,流体阻力小,水锤消除机构设计新颖,密封性能稳定可靠、耐磨损、使用寿命长、运行平稳、无振动、无噪声等特点。主要零件材质如下:
零件名称
材质
阀体
铸铁、铸钢、不锈钢
阀盖
铸铁、铸钢、不锈钢
阀瓣
碳钢、不锈钢+丁腈橡胶
阀杆、活塞
不锈钢
二、微阻缓闭止回阀主要零件材质:
零件名称
阀体\阀盖
阀瓣
阀轴
材料
灰铸铁\铸钢
橡胶组合件
不锈钢
 
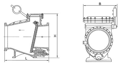
三、微阻缓闭止回阀主要技术参数:
微阻缓闭止回阀
公称压力
(MPa)
公称通径
DN(mm)
尺寸(mm)
 
 
L
H
B
 
 
 
 
 
 
 
                 1.0
 1.6
 2.5
40
200
300
220
50
230
300
270
65
290
320
290
80
310
354
300
100
350
350
320
125
400
380
340
150
480
500
410
200
500
580
450
250
600
670
550
300
700
730
580
350
800
820
630
400
900
920
700
450
1000
950
800
500
1100
1100
900
600
1300
1200
990
700
1400
1550
1120
800
1500
1700
1300
900
1700
1800
1350

  相关产品:

  打印本页    关闭窗口

     
 
关于我们  | 产品中心  | 新闻中心  | 阀盛公告  | 企业资质  | 站点地图  | 联系我们
上海阀盛阀门制造有限公司
地址:上海市松江区石湖荡镇阀盛阀门工业园区  电话:021-51061127
版权所有 上海阀盛阀门制造有限公司    沪ICP备14015017号-1